Shelly Uni
Notes
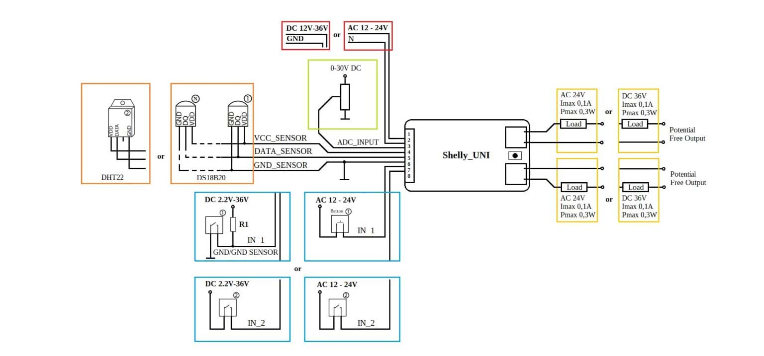
Shelly UNI is the smallest universal module with two available digital inputs and potential-free outputs, providing endless functionalities.
- 2 digital inputs
- 2 potential-free outputs
- ADC can measure any voltage from 0 to 30 VDC
- supports DS18B20 temperature sensors or a DHT22 humidity and temperature sensor, ...

GPIO Pinout
| Pin | GPIO | Function | Wire |
|---|---|---|---|
| GPIO00 | Red LED | ||
| 1 | VAC, VDC+ | red | |
| 2 | VAC, VDC- | black | |
| 3 | GPIO17 | ADC Input | white |
| 4 | 3.3V | yellow | |
| 5 | GPIO05 | Sensor | blue |
| 6 | GND | green | |
| 7 | GPIO12 | Input 1 | orange |
| 8 | GPIO13 | Input 2 | brown |
| GPIO15 | Output 1 | ||
| GPIO04 | Output 2 | ||
| GPIO14 | ADC Range |
ADC range Selector
ADC Input (GPIO17) have two ranges (0 - 15 or 0 - 30V), selectable by GPIO14. If you configure GPIO14 as switch and turn it on you get 30V input range. Tested by Protoncek.
Device return pure ADC readings, so need to multiply to get actual voltage. Linear approximation looks more or less acceptable. Possible multiply factors: 14.64 on 15V range, 30.64 on 30V range.
Basic Configuration
esphome:
name: Shelly Uni
esp8266:
board: esp_wroom_02
restore_from_flash: true
logger:
esp8266_store_log_strings_in_flash: False
logger:
level: INFO
wifi:
ssid: !secret wifi_ssid
password: !secret wifi_password
api:
encryption:
key: !secret esp_api_key
ota:
password: !secret ota_secret
external_components:
- source: github://nrandell/dallasng
dallasng:
- pin:
number: GPIO05
mode:
input: True
pullup: True
update_interval: '7s'
sensor:
- platform: dallasng
address: 0xaf00000001b25428
name: "Temperature"
filters:
- filter_out: 85.0
- platform: wifi_signal
name: "RSSI"
id: sensor_rssi
update_interval: 90s
entity_category: "diagnostic"
- platform: uptime
name: "Uptime"
id: sensor_uptime
update_interval: 300s
entity_category: "diagnostic"
- platform: adc
pin: GPIO17
name: Voltage
id: sensor_voltage
accuracy_decimals: 1
update_interval: 9s
filters:
- lambda: if (id(adc_range).state) return x*30.64; else return x*14.64;
button:
- platform: restart
name: "Restart"
id: button_restart
switch:
- platform: output
name: "Output 1"
output: out_1
- platform: output
name: "Output 2"
output: out_2
- platform: gpio
id: adc_range
name: ADC Range
pin: GPIO14
restore_mode: RESTORE_DEFAULT_ON
output:
- platform: gpio
id: out_1
pin:
number: GPIO15
inverted: False
- platform: gpio
id: out_2
pin:
number: GPIO04
inverted: False
binary_sensor:
- platform: status
name: "Status"
id: sensor_status
- platform: template
name: "API connected"
id: sensor_api_connected
internal: True
entity_category: 'diagnostic'
device_class: 'connectivity'
lambda: return global_api_server->is_connected();
on_press:
- light.turn_on: led_status
on_release:
- light.turn_off: led_status
- platform: gpio
name: "Input 1"
pin:
number: GPIO12
mode: INPUT_PULLUP
inverted: False
- platform: gpio
name: "Input 2"
pin:
number: GPIO13
mode: INPUT_PULLUP
inverted: False
light:
- platform: status_led
name: "LED"
id: led_status
pin:
number: GPIO00
inverted: True
internal: True
restore_mode: ALWAYS_OFF