teXXmo IoT Button
Device Type:
Electrical Standard:
Board:
Device Information
Product Images


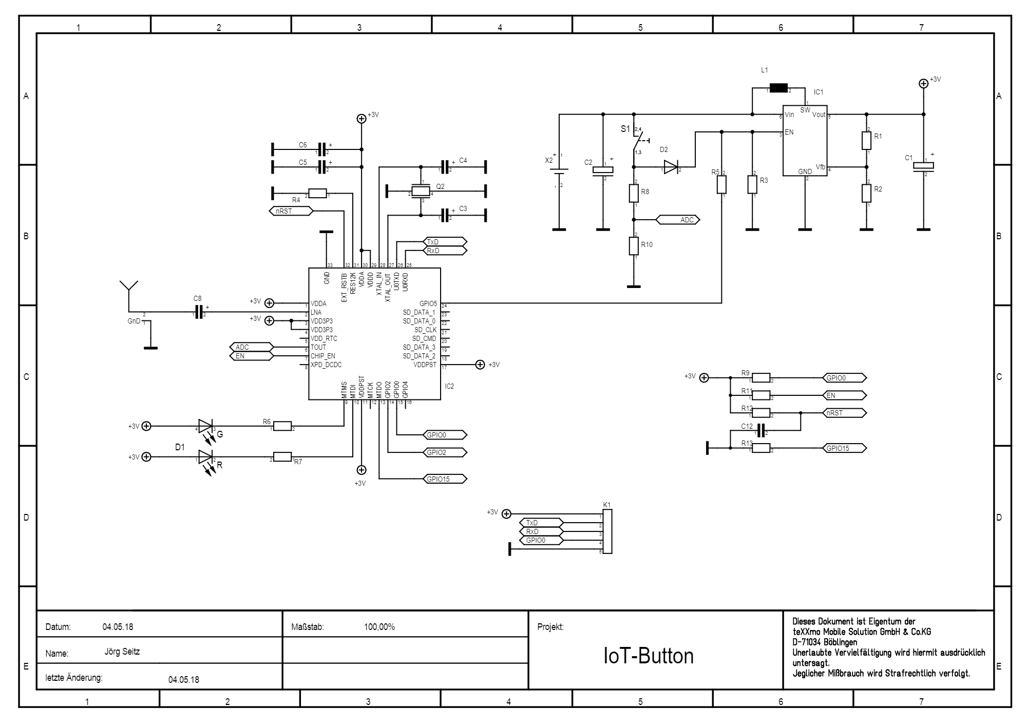
Flashing Pinout
| Pin Hole Shape | Purpose |
|---|---|
| [ ] | 3V3 Input (do not connect if powering off of battery) |
| ( ) | Txd |
| ( ) | Rxd |
| ( ) | GPIO0 (must pull to ground before flashing) |
| ( ) | Gnd |
Basic Configuration
substitutions: name: iot_button_1 static_ip: <your ip address> gateway: <your gateway> subnet: <your subnet mask>
globals: - id: message_sent type: bool restore_value: no initial_value: "false"
esphome: name: ${name} on_boot: # Raise the power pin very early (pri 700) to keep the ESP awake # until we're done sending the event priority: 700 then: - output.turn_on: power_pin
esp8266: board: esp8285
wifi: ssid: !secret wifi_ssid password: !secret wifi_password fast_connect: true
manual_ip: static_ip: ${static_ip} gateway: ${gateway} subnet: ${subnet}
# Enable fallback hotspot (captive portal) in case wifi connection fails ap: ssid: "ESPHome_Button_1" password: !secret ap_fallback_password
captive_portal:
api: encryption: key: !secret api_encryption_key
ota: password: !secret ha_api_password
script: - id: send_event then: - logger.log: "Waiting for API connection" - wait_until: api.connected:
- logger.log: "Sending ESPHome event" - delay: 0.5s - homeassistant.event: event: esphome.button_pressed data: device_id: ${name} - globals.set: id: message_sent value: "true" - delay: 0.5s
logger:
sensor: - platform: adc pin: A0 id: button_adc internal: true update_interval: 10s on_value_range: above: 0.5 then: - script.execute: send_event - wait_until: lambda: return id(message_sent);
- logger.log: "Shutting down" - output.turn_off: power_pin
# The D5 pin turns the vreg on & off. Setting to off will shut down the device.output: - platform: gpio pin: GPIO5 id: power_pin
- platform: esp8266_pwm pin: GPIO12 id: led_red_pin
- platform: esp8266_pwm pin: GPIO14 id: led_green_pin